EN
EN
首页
关于我们
产品中心
燃气表
充电桩
新闻中心
反馈中心
荣誉资质
联系我们
EN
EN
荣誉资质
当前位置:
首页
/
荣誉资质
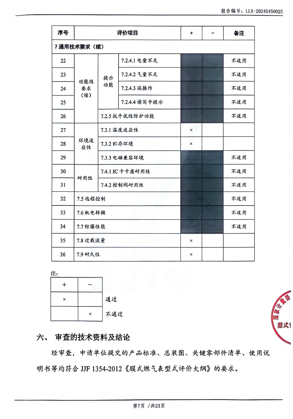
G型评报告
admin
2022-06-16
荣誉资质
留言咨询